iWave iWave Japan, Inc.
TOP
会社情報 事業概要 製品 サービス パートナー リクルート お問い合せ

ボード製品

iW FPGAxxG2

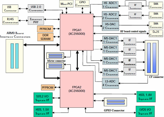
iW FPGAxxG2は、2つのXILINX Virtex-II FPGAの評価用プラットフォームです。

基本仕様

  • 2つのXilinx Virtex-II FPGA (FF896及びFF1152パッケージ)
  • XC2V1000からXC2V4000まで対応
  • ARM9プロセッサボードインターフェイス
  • オンボードJTAGコネクタ
  • FPGAへのマスターシリアルモードでの書込
  • 10/100 Mbps Ethernet物理インターフェイス
  • 2つのRS-232インターフェイス
  • USB 2.0ハイスピードデバイスコントローラインターフェイス
  • ミニPCIコネクタインターフェイス
  • 2つのDDR SDRAMインターフェイス
  • DAC & ADC
    • 1チャンネル12-bit高速ADC (80 MSPS max)
    • 2チャンネル12-bit高速ADC (60 MSPS max)
    • 4チャンネル8-bit 低速ADC (2 MSPS max)
    • 4チャンネル10-bit中速DAC (50 MSPS max)
    • 2チャンネル12-bit高速DAC (125 MSPS max)
  • FPGA2インターフェイスに対する100ピンのコネクタ
  • LVDS I/O interface
  • HSTL-1.5V I/O interface
  • HSTL-1.8V I/O interface
  • SSTL2 I/O interface

外観図

外観図

ブロック図

ブロック図

詳しくは、営業へお問い合わせ下さい。

ボード製品トップへ製品一覧へ



Copyright(c) iWave Japan, Inc. all rights reserved.